
| ○ | 工業級58mm標準規格,端部空心軸 | ○ | 堅固的機械和電氣結構 | |||
| ○ | 防護等級可達IP67 | ○ | 不大于25000PPR | |||
| ○ | 輸出頻率<300 kHz | |||||
| ○ |
供電: 4. 75VDC to 30VDC 4. 75VDC to 5. 5VDC |
○ |
保護: 輸出短路保護 反極性保護(不含5V系列) |
|||
| ○ | 空載電流:≤ 60mA(24 VDC) | ○ | 分辨率(脈沖數/轉):1... 25000 | |||
| ○ | 參考信號:零脈沖,寬度 90° 180°,360° 可選 | ○ | 光電壽命:10 萬小時(min) | |||
| ○ | 輸出頻率:<200 kHz | ○ | 輸出信號:90° 移相 A、B、Z ,+ 取反 | |||
| ○ |
輸出電路: 線性驅動/RS422 推拉 抗短路 NPN開路集電極 |
○ | 抗干擾:DIN EN 61000-6-2 | |||
| ○ | 發射干擾:DIN EN 61000-6-4 | ○ | 認證:CE | |||
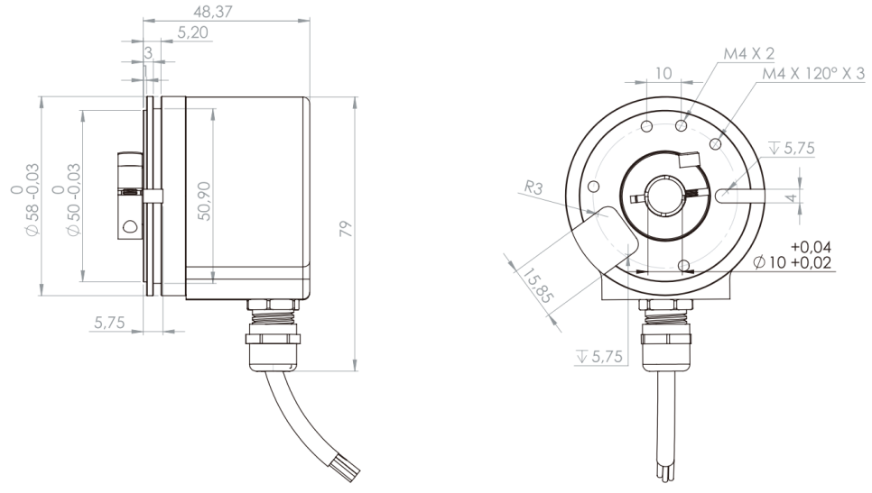
| ○ | 尺寸(法蘭):ø58mm | ○ |
軸負載: ≤120N 軸向 ≤160 N 徑向 |
|||
| ○ | 防護等級DIN EN 60529 :IP54,IP65 | ○ | 運行轉速:≤10000 rpm | |||
| ○ | 啟動轉矩:≤ 0.025 Nm(IP67) | ○ |
材質: 外殼:鋁 法蘭:鋁 軸:不銹鋼 |
|||
| ○ |
軸徑:6,8,10,12,14,15,16 mm (其余軸徑根據要求) |
○ | 軸承壽命:2×109轉(min)在100%軸承額定負載 | |||
| ○ | 工作溫度:-20. . . +85°C | ○ | 儲藏溫度:-30°C up to +90 °C | |||
| ○ | 重量約:250g | |||||

![]() |
![]() |